Wibroizolator do Pompy - Okrętowy Typu MA18678/50P

Dostawa od: 9.9 zł

Wibroizoaltory okrętowe - cechy produktu:

  • Materiał: Kauczuk Naturalny NR
  • Temperatura maksymalna (°C): 80
  • Temperatura minimalna (°C): -40

Zastosowanie: 

  • Silniki napędu jednostek pływających
  • Agregaty prądotwórcze
  • Sprężarki
  • Generatory
  • Silniki diesel
  • Pompy
Sztywność:
  • MA18678/50P-M16-45- 240 N/mm
  • MA18678/50P-M16-55- 380 N/mm
  • MA18678/50P-M16-65- 600 N/mm

 

Wibroizolator poduszka pod silnik Massey Ferguson:

  • Zamiennik pasuje do Ładowarki teleskopowej Massey Ferguson: 8925, 8926, 89410, 89410(L)

Wibroizolator poduszka pod silnik Pel-Job

  • Zamiennik pasuje do Koparki gąsienicowej Pel-Job: EB506

Wibroizolator poduszka pod silnik Bobcat

  • Zamiennik pasuje do  Ładowarki teleskopowej Bobcat: T3571, T3571L, T35100L, T35120L
  • Wibroizolator poduszka pod silnik Mecalac
  • Zamiennik pasuje do Koparki Kołowej Mecalac: 10MSX, 12MSX, 12MTX, 12MTX Speeder, 12MX, 12MXT, 14MBX, 14MXT, 714MW, 714MWe
  • Zamiennik pasuje do Koparki gąsienicowej Mecalac: 6MCR, 8MCR, 714MC, 714MCe

Wibroizolator poduszka pod silnik Haulotte

  • Zamiennik pasuje do Ładowarki teleskopowej Haulotte: HTL3614, HTL3617, HTL4014, HTL4017, HTL8045, HTL8055, HTL9045, HTL9055
  • Zamiennik pasuje do Koparki kołowe: MJX950, MJX970, MJX990
  • Marine Medium, Cushyfloat 17/1609

Wibroizolator poduszka pod silnik Volvo:

  • Zamiennik pasuje do Koparki gąsienicowe Volvo: EC70, EC70VV, EC130, EC130C, EC150, EC150C
  • Zamiennik pasuje do: Kaparki kołowe Volvo: EW70, EW70VV, EW130, EW130C, EW150, EW150C

Alternatywa dla:

  • Marine Medium, Cushyfloat 17/1609

 

 

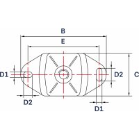
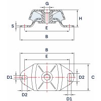
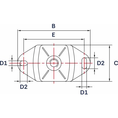
Kod produktu B x C (mm)
H (mm)
E (mm)
G
Max obciążenie (N) Ugięcie (mm) Cena brutto Dostępność
Ilość
MA18678/50P-M16-45 186 x 78 50 140 M16 1200 5
225.18 zł
Wysyłka w ciągu 24 h
MA18678/50P-M16-55 186 x 78 50 140 M16 1900 5
225.18 zł
Wysyłka w ciągu 24 h
MA18678/50P-M16-65 186 x 78 50 140 M16 3000 5
225.18 zł
Wysyłka w ciągu 24 h

 

Przewodnik do prostego doboru wibroizolatorów

1. Określ całkowitą masę urządzenia oraz ilość punktów podparcia ( wibroizolatorów ).

2. Oblicz ciężar jaki przypada na każdy wibroizolator (należy wziąć pod uwagę że ciężar może nie być równomiernie rozłożony).

3. Określ prędkość obrotową urządzenia lub częstotliwość drgań.

4. Sprawdź jakie jest ugięcie statyczne wibroizolatora i porównaj z poniższą tabelą

 

Prędkość Wymagany stopień tłumienia drgań w %
Obrotowa 70% 80% 90%
1000 RPM 4.0mm 5.4mm 10mm
1500 RPM 1.8mm 2.5mm 4.5mm
3000 RPM 0.5mm 0.7mm 1.2mm

 

5. W oparciu o obciążenie wybierz odpowiedni typ wibroizolatora biorąc pod uwagę: czy sprzęt jest mobilny czy statyczny, wymagania sprzętu odnośnie montażu.

6. Upewnij się że wszystkie urządzenia wspomagające maszyny, jak rury wydechowe, rurociągi, przewody elektryczne są swobodnie połączone z izolowanym urządzeniem aby umożliwić swobodne poruszanie się sprzętu.

 

Wibroizolatory Okrętowe Typu MA pierwotnie zostały zaprojektowane dla przemysłu morskiego i wykorzystywane są do mocowań silników okrętowych, dlatego też są bardzo wytrzymałe (są w stanie wytrzymać napór śruby napędowej) oraz bezpieczne w przypadku awarii. Wibroizolatory Okrętowe dzięki swojej wytrzymałości oraz bezpieczeństwie stosowania stały się bardzo popularne i szeroko stosowane także w innych branżach. Wibroizolatory te oferują wysoką wydajność, łatwą instalację oraz ekonomiczne rozwiązanie w walce z wibracjami.

Zastosowania obejmują: Silniki napędu jednostek pływających, Agregaty prądotwórcze, Silniki diesel, Pompy, Sprężarki.

Sposób dostawy Sposób płatności Koszt Darmowa dostawa od
Przelew tradycyjny
Przelewy internetowy Przelewy24
25 zł --
Przelew tradycyjny
Przelewy internetowy Przelewy24
25 zł --
Przelew tradycyjny
Przelewy internetowy Przelewy24
22 zł --
Przelew tradycyjny
Przelewy internetowy Przelewy24
28 zł --
Przelew tradycyjny
Przelewy internetowy Przelewy24
9.9 zł od 500 zł
Przelew tradycyjny
Przelewy internetowy Przelewy24
17 zł od 500 zł
Masz problem z doborem produktu? Skontaktuj się z nami!